
燃煤鍋爐
SZL系列燃煤蒸汽鍋爐
燃油燃氣鍋爐
DHS角管燃氣鍋爐
生物質鍋爐
SHL生物質散裝蒸汽、熱水鍋爐
導熱油鍋爐
RYQ系列熔鹽爐
循環流化床鍋爐
SHX 循環流化床蒸汽鍋爐焦化廠精苯生產傳統采用蒸汽作為熱源,所需蒸汽壓力必須在0.7MPa以上。如采用導熱油作為熱源,供熱穩定、安全、可靠,輕苯加工能力和三苯回收率會顯著提高。企業效益也會相應提高。

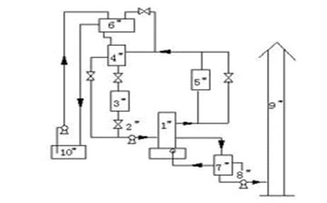
導熱油系統的工藝流程
焦化廠采用的導熱油爐可以高爐煤氣為燃料,以導熱油為熱載體,通過熱油泵強制循環,將熱量傳遞給各塔加熱設備。 工藝流程如圖1所示。熱載體導熱油用熱油泵2#送入導熱油爐1#,經導熱油爐加熱到220~240℃后,再送入蒸餾塔加熱器5#進行加熱,此時導熱油溫度降為200℃。導熱油再經4#氣液分離器、3#過濾器后,回到熱油泵進口,這樣就形成了加熱利用——再加熱再利用的閉路循環系統。10#貯油槽、6#膨脹槽的作用是及時補充循環系統中損失的導熱油。在導熱油爐內高爐煤氣燃燒后產生的廢氣,經7#高爐煤氣換熱后,降至250℃以下,用8#引風機經9#煙囪排出。高爐煤氣經換熱后由30℃升高到180℃。
了解更多精苯生產的導熱油加熱方案相關信息請撥打中正鍋爐咨詢熱線:13861509162,并獲取報價。
歡迎填寫以下表格,留下您的需求、聯系電話、設備使用地等信息,并盡可能詳細描述產品需求,我們將快速處理您提交的信息,確保您的購買咨詢得到及時、準確的回復。